网站首页
关于我们
公司简介
企业文化
厂房设备
资质荣誉
新闻中心
公司新闻
行业动态
企业公告
产品中心
变压器
箱式变压器
科技创新
工程案例
人力资源
人才理念
招聘信息
绿色供应链
信息披露
绿色平台
在线留言
联系我们
新闻中心
公司新闻
行业动态
企业公告
您的当前位置:
网站首页
>
新闻中心
>
公司新闻
公司新闻
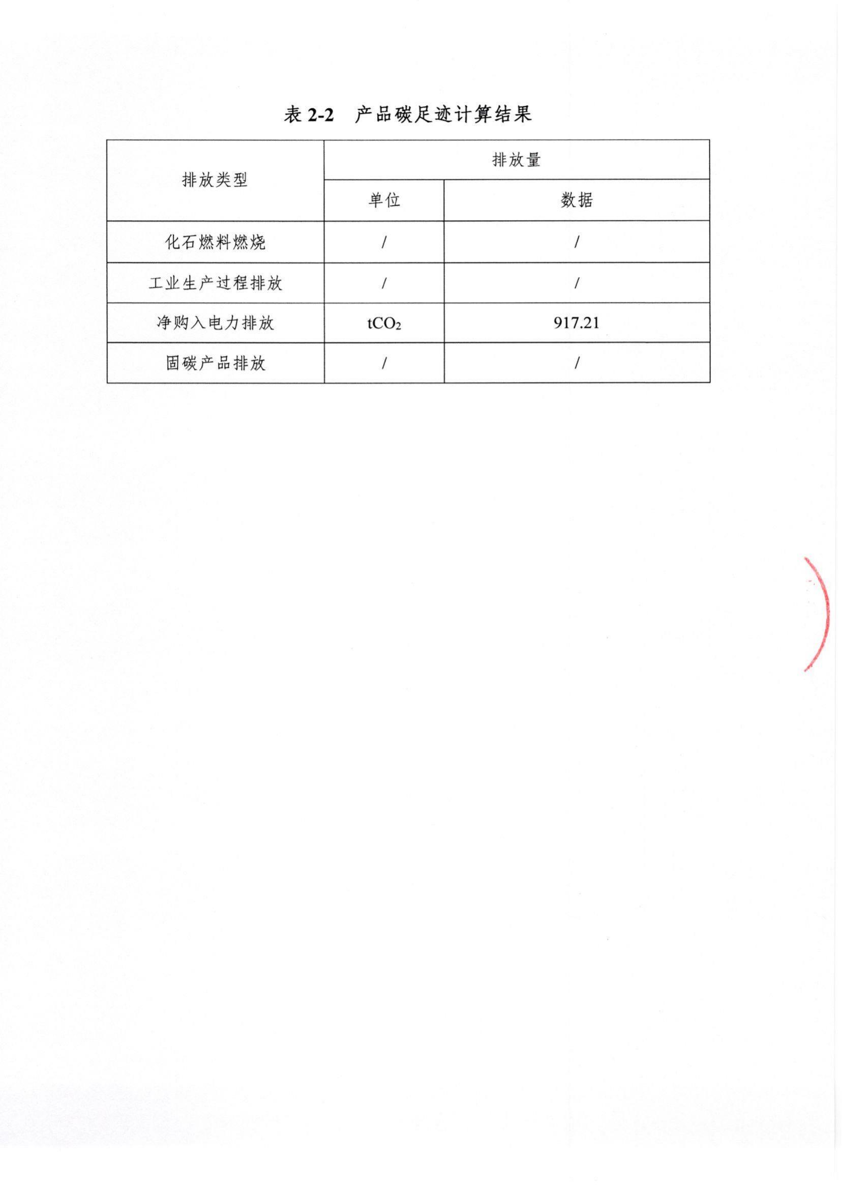
2023年度碳足迹核算报告
作者: 来源:
https://nanpaodou.com/gsxw/n659.html
发布时间:2024-07-11
下一页:
2023 年度 温室气体排放核查报告
上一页:
公告